M1x16 Magnetischer Glasfaserschalter

M1x16 Magnetischer Glasfaserschalter

Der optische Schalter M1x16 wird durch Verbinden oder Blockieren des optischen Signals mit dem optischen Pfad verbunden. Der Schalter verfügt über nichtmechanische Konfigurationen und wird über ein elektrisches Steuersignal aktiviert. Der Schalter verfügt außerdem über integrierte Zirkulator- und Isolatorfunktionen. Die Produkte finden breite Anwendung in der Luft- und Raumfahrt sowie in militärischen Geräten.

  • Produktdetail

M1x16 Magnetischer Glasfaserschalter

Merkmale

  • Solid-State-Hochgeschwindigkeit
  • Hohe Stabilität, hohe Zuverlässigkeit
  • Epoxidfrei im optischen Pfad
  • Ausfallsichere Verriegelung

Anwendungen

  • Luft- und Raumfahrtausrüstung
  • Konfigurierbares Hinzufügen/Entfernen
  • Systemüberwachung
  • Sensorsystem

Leistungsspezifikationen

Parameter

Einheit

Technische Daten

Wellenlängenbereich

nm

1520 ~ 1580

Testwellenlänge

nm 1550

Einfügungsdämpfung 1, 2

dB

≤ 2,0

TDL

dB

≤0,30

PDL

dB

≤0,20

Rückflussdämpfung

dB

≥ 50

Übersprechen

dB

Bidirektional ≥ 20

Unidirektional ≥ 40

Wiederholbarkeit

dB

≤±0,01

Schaltzeit

uns

≤100

Pulsdauer

uns

≥200

Haltbarkeit

Zyklen

≥10 Milliarden

Schaltertyp

N / A

Verriegelung

Betriebsstrom

mA

≤200

Maximale optische Leistung

mW

≤500

Betriebstemperatur

-5 ~ +70

Lagertemperatur

-40 ~ +85

Dimension

mm

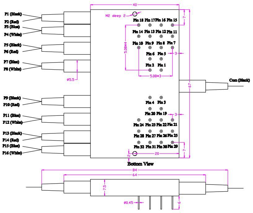
(L)40,0×(B)67×(H)7,5 ±0,2

Hinweis: 1 Test bei Raumtemperatur und SOP.

2 Ohne Anschlüsse, 0,2 dB für ein Paar Anschlüsse.

Mechanische Abmessungen (Einheit: mm)

M1x16 Magnet Fiber Optical Switch

Elektrischer Antrieb

M1x16 Magnet Fiber Optical Switch

Funktionsdiagramm

1x16 Magnet Fiber Optical Switch

1x16 Magnet Fiber Optical Switch

Bestellinformationen

FSW-M1x16-□-□-□-□-□-□-□

1x16 Fiber Optical Switch

Möchten Sie mehr über dieses Produkt erfahren?

SENDEN SIE EINE Nachricht
eine Nachricht hinterlassen

WENN Sie sind an unseren Produkten interessiert und möchten mehr Details erfahren, bitte hinterlassen Sie hier eine Nachricht, wir antworten Ihnen so schnell wie wir.

Ähnliche Produkte
China M1x1 Magnet Fiber Optical Switch M1x1 Magnetfaser-Lichtwellenleiterschalter
Merkmale Solid-State-Hochgeschwindigkeit Hohe Stabilität, hohe Zuverlässigkeit Epoxidfrei im optischen Pfad Ausfallsichere Verriegelung Anwendungen Luft- und Raumfahrtausrüstung Konfigurierbares Hinzufügen/Drop Systemüberwachung Sensorsystem
China M1x2 Magnet Fiber Optical Switch Optischer M1x2-Magnetfaserschalter
Merkmale Solid-State-Hochgeschwindigkeit Hohe Stabilität, hohe Zuverlässigkeit Epoxidfrei im optischen Pfad Ausfallsichere Verriegelung Anwendungen Luft- und Raumfahrtausrüstung Konfigurierbares Hinzufügen/Drop Systemüberwachung Sensorsystem
China M2x2 Magnet Fiber Optical Switch Optischer M2x2-Magnetfaserschalter
Merkmale Solid-State-Hochgeschwindigkeit Hohe Stabilität, hohe Zuverlässigkeit Epoxidfrei im optischen Pfad Ausfallsichere Verriegelung Anwendungen Luft- und Raumfahrtausrüstung Konfigurierbares Hinzufügen/Drop Systemüberwachung Sensorsystem
China M2x2B Magnet Fiber Optical Switch M2x2B magnetischer optischer Faserschalter
Merkmale Solid-State-Hochgeschwindigkeit Hohe Stabilität, hohe Zuverlässigkeit Epoxidfrei im optischen Pfad Ausfallsichere Verriegelung Anwendungen Luft- und Raumfahrtausrüstung Konfigurierbares Hinzufügen/Drop Systemüberwachung Sensorsystem
China M1x8 Magnet Fiber Optical Switch M1x8 Magnetfaser-Lichtwellenleiterschalter
Merkmale Solid-State-Hochgeschwindigkeit Hohe Stabilität, hohe Zuverlässigkeit Epoxidfrei im optischen Pfad Ausfallsichere Verriegelung Anwendungen Luft- und Raumfahrtausrüstung Konfigurierbares Hinzufügen/Drop Systemüberwachung Sensorsystem
China M1x4 Magnet Fiber Optical Switch M1x4-Magnet-Glasfaserschalter
Merkmale Solid-State-High-Speed Hohe Stabilität, hohe Zuverlässigkeit Epoxidfrei im optischen Pfad Ausfallsichere Verriegelung Anwendungen Luft- und Raumfahrtausrüstung Konfigurierbares Hinzufügen/Drop Systemüberwachung Sensorsystem
fiber management system Idle Fiber Resource Management System
Produktfunktionen:uDas 1U-Chassis kann auf 48 Kerne zugreifen und 24 Dual-Core-Dienste unterstützen uDienste und Erkennungen können gleichzeitig zugegriffen werden, ohne sich gegenseitig zu beeinflussen uDie normale Kommunikation von Diensten wird auch dann nicht betroffen, wenn das Gerät ausgeschaltet wird (oder Fehlfunktionen) uEchtzeitüberwachung und Statusanalyse -Optische Faserstatusüberwachung: Überwachen Sie den Zeilenverluststatus der faserfaserverbindlichen Verbindung in Echtzeit -Früherwarnung von Fehler: Identifizieren Sie potenzielle Probleme in der optischen Glasfaserverbindung automatisch und Stellen Sie rechtzeitig Alarme aus, damit das Wartungspersonal schnell reagiert.
400G OSFP AOC cable 400G OSFP AOC-Transceiver
Verfügt über eine serielle optische OSFP-Schnittstelle 4x100G PAM4 neu getaktete 400GAUI-4 elektrische Schnittstelle Aktives optisches Kabel 4-Kanal-VCSEL-Arrays und 4-Kanal-PIN-Fotodetektor-Arrays Maximale Verbindungslänge von 60 m bei OM3 oder 100 m bei OM4 OSFP MSA-konform Hot-Plug-fähiger OSFP-Formfaktor Konform mit der OSFP-Modulspezifikation Rev 5.0 Konform mit CMIS 5.2 Support-Protokoll Konform mit IEEE 802.3db Konform mit IEEE 802.3ck Energieeffizient Weniger als 8 W im Temperaturbereich von 0 bis 70 °C Anwendungen 400GBASE-AOC 400G Ethernet Rechenzentrum InfiniBand
eine Nachricht hinterlassen
eine Nachricht hinterlassen
WENN Sie sind an unseren Produkten interessiert und möchten mehr Details erfahren, bitte hinterlassen Sie hier eine Nachricht, wir antworten Ihnen so schnell wie wir.

Heim

Produkte

um

Kontakt