16-Gbit/s-FC-DWDM-SFP+-Transceiver, C-Band, EML, 40 km Reichweite

16-Gbit/s-FC-DWDM-SFP+-Transceiver, C-Band, EML, 40 km Reichweite

Die SFP+-Transceiver sind leistungsstarke und kostengünstige Module, die eine Datenrate von 16 Gbit/s und eine Übertragungsdistanz von 40 km mit SMF unterstützen.

Der Transceiver besteht aus drei Teilen: einem gekühlten EML-Lasersender, einer PIN-Fotodiode mit integriertem Transimpedanz-Vorverstärker (TIA) und einer MCU-Steuereinheit. Alle Module erfüllen die Anforderungen der Laserschutzklasse I.

Die Transceiver sind kompatibel mit dem SFP Multi-Source Agreement und den digitalen Diagnosefunktionen des SFF-8472.

  • Produktdetail

16-Gbit/s-FC-DWDM-SFP+-Transceiver, C-Band, EML, 40 km Reichweite RSPD-16GD40-CXX

Produktmerkmale

  • Unterstützt Bitraten bis zu 16 Gbit/s.
  • Hot-Plug-fähiger SFP+-Anschluss
  • DWDM-EML-Laser und PIN-Fotodiode, bis zu 40 km für SMF-Übertragung
  • Konform mit SFP+ MSA und SFF-8472 mit Duplex-LC-Buchse
  • RoHS-konform
  • Einzelnes +3,3V-Netzteil
  • Digitale Echtzeit-Diagnoseüberwachung
  • Betriebstemperatur des Gehäuses: Standard: 0 bis +70 °C

Anwendungen

  • 4,25/8,5/16G Fibre Channel
  • Andere optische Verbindungen

SFP+ 16G FC DWDM 40KM

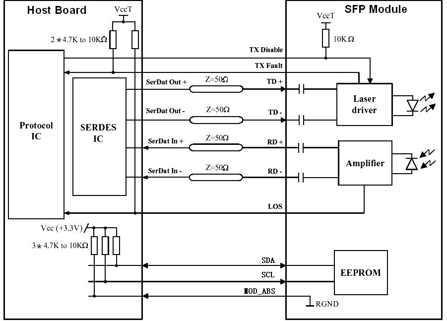
Funktionsdiagramm des Transceivers

Absolute Höchstbewertungen

Parameter Symbol Min Max Einheit
Versorgungsspannung Vcc -0,5 4,5 V
Lagertemperatur Ts -40 +85 °C
Betriebsfeuchtigkeit 5 85 %

Empfohlene Betriebsbedingungen

Parameter Symbol Min Typisch Max Einheit
Betriebstemperatur des Gehäuses Tc 0 +70 °C
Versorgungsspannung Vcc 3.135 3.30 3,465 V
Stromversorgung Icc 550 mA
Datenrate 4,25 16 Gbit/s

Optische und elektrische Eigenschaften

SFP+ 16G FC DWDM 40KM

Anmerkungen:

1. Die optische Leistung wird in die SMF eingekoppelt.

2. PECL-Eingang, intern AC-gekoppelt und terminiert.

3. Gemessen mit einem PRBS 2 31 -1 Testmuster bei 16000 Mbit/s, BER ≤1×10 -12 Die

4. Intern AC-gekoppelt.

Timing und Elektrik

SFP+ 16G FC DWDM 40KM

iDagnostics

16G FC DWDM SFP+ Transceiver

Digitale Diagnose-Speicherkarte

Die Transceiver liefern über die serielle 2-Draht-Schnittstelle (SCL, SDA) serielle ID-Speicherinhalte und Diagnoseinformationen über den aktuellen Betriebszustand.

Die Diagnoseinformationen werden sowohl mit interner als auch mit externer Kalibrierung implementiert, einschließlich der Überwachung der Empfangsleistung, der Sendeleistung, des Ruhestroms, der Versorgungsspannung und der Temperatur.

Das spezifische Datenfeld der digitalen Diagnosespeicherkarte ist wie folgt definiert.

16G FC DWDM SFP+ Transceiver

Pin-Beschreibungen

16G FC DWDM SFP+ Transceiver

SFP+ 40KM DWDM Transceiver

Anmerkungen:

Stecksequenz: Reihenfolge des Stifteinrastens beim Hot-Plugging.

1) Der TX-Fehler ist ein Open-Collector-Ausgang, der mit einem 4,7 kΩ bis 10 kΩ Widerstand auf der Hostplatine auf eine Spannung zwischen 2,0 V und Vcc + 0,3 V gezogen werden muss. Logisch 0 bedeutet Normalbetrieb; logisch 1 bedeutet einen Laserfehler. Im Low-Zustand liegt die Ausgangsspannung unter 0,8 V.

2) Laserausgang deaktiviert bei TDIS >2,0V oder offen, aktiviert bei TDIS <0,8V.

3) LOS ist ein Open-Collector-Ausgang. Dieser sollte mit einem 4,7 kΩ bis 10 kΩ starken Widerstand auf der Hostplatine auf eine Spannung zwischen 2,0 V und 3,6 V gezogen werden. Logisch 0 bedeutet Normalbetrieb; logisch 1 bedeutet Signalverlust.

4) RD-/+: Dies sind die differentiellen Empfängerausgänge. Es handelt sich um intern AC-gekoppelte 100-Ω-Differenzialleitungen, die am SERDES des Benutzers mit 100 Ω (differenziell) abgeschlossen werden sollten.

5) TD-/+: Dies sind die differentiellen Sendereingänge. Es handelt sich um intern AC-gekoppelte Differenzleitungen mit 100 Ω Differenzialabschluss innerhalb des Moduls.

Empfohlene Schnittstellenschaltung

SFP+ 40KM DWDM Transceiver

Mechanische Abmessungen

16g DWDM 40km transceiver

Bestellinformationen

RSPD-16GD40-CXX XX: 100 GHz ITU-Gitterwellenlänge

16g DWDM 40km transceiver 16g DWDM 40km transceiver

Möchten Sie mehr über dieses Produkt erfahren?

SENDEN SIE EINE Nachricht
eine Nachricht hinterlassen

WENN Sie sind an unseren Produkten interessiert und möchten mehr Details erfahren, bitte hinterlassen Sie hier eine Nachricht, wir antworten Ihnen so schnell wie wir.

Ähnliche Produkte
SFP+ 16G DWDM 20KM Transceiver SFP+ 16G C17-C61 DWDM 20KM DDM optischer Transceiver
Produktmerkmale Unterstützt Bitraten von bis zu 14,025 Gbit/s Hot-plug-fähiger SFP+-Footprint 100 GHz ITU, C-Band DWDM gekühlter EML-Laser und PIN-Fotodiode, bis zu 20 km für SMF-Übertragung Konform mit SFP+ MSA und SFF-8472 mit Duplex-LC-Buchse Kompatibel mit RoHS Einzelne +3,3-V-Stromversorgung Digitale Diagnoseüberwachung in Echtzeit Betriebsgehäusetemperatur: Standard: 0 bis +70°C Anwendungen 4,25/8,5/14,025G Fibre-Channel Andere optische Links
 1X10 PM MEMS optical switch 1X10 PM MEMS optischer Schalter
Merkmale Bewährte Langlebigkeit und Zuverlässigkeit der MEMS-Technologie Kompakte Bauform Schnelle Schaltzeit Qualifiziert nach Telcordia GR-1073-CORE und RoHS UART/TTL- oder UART/RS232-Steuerschnittstelle
400G QSFP112 DR4,Optical Transceiver Module 400G QSFP112 DR4
400G QSFP112 DR4 Transceivermodule sind für den Einsatz in 400-Gigabit-Ethernet-Verbindungen mit bis zu 500 m Singlemode-Glasfaser konzipiert. Sie sind kompatibel mit QSFP112 MSA, IEEE 802.3bs und 100G Lambda MSA. Der optische Transceiver ist RoHS-konform.
Avalanche Detector APD1050H Lawinenwarngerät
Die Lawinenfotodiodendetektoren der APD-Serie funktionieren im Prinzip genauso wie die Lawinendetektoren von Thorlabs und Newport und verfügen über identische Stromversorgungsschnittstellen. Sie können direkt ausgetauscht werden, wenn der Monitorausgang (verfügbar bei einigen Produkten von Thorlabs und Newport) nicht benötigt wird und die Bandbreite identisch ist. Ihre Leistung steht vergleichbaren Produkten von Thorlabs und Newport in allen Belangen in nichts nach. Der APD-Lawinenfotodiodendetektor von Fiberwdm wird vollständig in China gefertigt. Dank eines exklusiven Temperaturkompensationsverfahrens bietet er über den gesamten Temperaturbereich (-40 °C bis 80 °C) eine hohe Empfindlichkeit, Stabilität, Verstärkung und geringes Rauschen. Neben Standarddetektoren werden auch kundenspezifische Lösungen angeboten. Verschiedene Parameter des Detektors (wie Versorgungsspannung, Verstärkung, Bandbreite usw.) können an die jeweiligen Kundenanforderungen angepasst werden. Anwendungsgebiete: Laserradar, optische Freiraumkommunikation, optische Fasersensorsysteme, optische Detektionssysteme usw.
 Transponder Card(10G OTU/OEO 8xSFP+/SFP) Transponderkarte (10G OTU/OEO 8xSFP+/SFP)
Produkteigenschaften   Unterstützt CWDM- oder DWDM-Übertragung und Wellenlängenkonvertierung. Unterstützt mehrere Übertragungsdistanzen: Ohne Relais unterstützt es eine maximale Übertragungsdistanz von  120 km bei 1,25 G,  100 km bei 10 G Unterstützt bidirektionalen 4-Kanal-Zugriff oder unidirektionalen 8-Kanal-Zugriff für Geschäftsprotokolle mit beliebigen Geschwindigkeiten von 1,25 Gbit/s bis 11,3 Gbit/s. Unterstützt sowohl Single-Mode- als auch Multi-Mode-Clientschnittstellen. Unterstützt eine einheitliche Netzwerkverwaltungsplattform auf SNMP-Basis. Bietet CLI, Web und NetView (grafische Benutzeroberfläche) für die Netzwerkverwaltung. Unterstützt die CDR-Funktion zur Optimierung von Ausgangssignalen, DDM-Signalüberwachung und optische Signalabschaltung. Unterstützt die softwarebasierte Port-Shutdown-Funktion.
 PM CWDM Components PM CWDM-Komponenten
Geringe Einfügedämpfung Hohe Extinktionsrate Hohe Kanalisolation Hohe Stabilität und Zuverlässigkeit
China SFP 155 1270-1610nm 120KM DDM Optical Transceiver SFP 155M 1270-1610nm 120KM DDM optischer Transceiver
Merkmale: Bis zu 155 Mbit/s Datenverbindungen Hot-Plug-fähig Duplex-LC-Stecker Bis zu 120 km mit 9/125 μm SMF 1270 nm bis 1610 nm CWDM DFB-Lasersender Einzelne +3,3-V-Stromversorgung Überwachungsschnittstelle, kompatibel mit SFF-8472 Maximale Leistung <1W Industrieller/erweiterter/kommerzieller Betriebstemperaturbereich: -40°C bis 85°C/-5°C bis 85°C/-0°C bis 70°C Version verfügbar RoHS-konform und bleifrei Anwendungen: SONET OC-3/SDH STM-1 Schnelles Ethernet Andere optische Links
China Super C-band 60CH+MON 100GHz DWDM MUX DEMUX 1U Rack LC/UPC Super C-Band 60CH+MON 100GHz DWDM MUX DEMUX 1U Rack LC/UPC
Super C-Band 60ch+MON 100GHz DWDM MUX/DEMUX 1U LC/UPC Dieser 60-Kanal -DWDM-Mux-Demux verfügt über einen Kanalabstand von 100 GHz und führt 60-Kanal-Multiplexing oder Demultiplexing bei den ITU-Wellenlängen im Super-C-Band durch, wodurch das effektive Arbeitsspektrum im Vergleich zum herkömmlichen C-Band und dem erweiterten C-Band erheblich erweitert wird. Es bietet eine Kombination aus geringer optischer Einfügungsdämpfung und hoher Kanalisolation sowie langfristiger Zuverlässigkeit Produktinformation 60 Kanäle Super C-Band 100 GHz mit Monitoranschluss, LC/UPC, Dual Fiber DWDM Mux Demux, 1U Rackmontage Aufbau Produktanwendung Optische Spezifikationen Parameter _ Spezifikation Einheiten Anmerkungen Mindest Typ Max Kanalabstand 100 Ghz Technologie AAWG (Flat-Top) Nummern des Kanals 60 Kanäle Kanalfrequenzen ITU-Gitter THz Verfügbarer Kanalfrequenzbereich Seltsam 190,75 196.650 THz 1524,50–1571,65 nm Sogar 190,7 196.600 THz 1524.89-1572.06 Kanalpassband -12.5 +12,5 Ghz -0,10 +0,10 nm Genauigkeit der Mittenwellenlänge -0,05 +0,05 nm Einfügedämpfung@com 6 6.7 dB @Center-Wellenlänge Einfügedämpfung@mon 22 dB 1 % Passband-Welligkeit 1,0 1.5 nm Volle Bandbreite Bandbreite @1,0 dB 0,22 nm Bandbreite @3,0 dB 0,42 nm Bandbreite @20dB 1,20 nm Einheitlichkeit der Einfügungsdämpfung an der ITU 1,20 dB Polarisationsabhängiger Verlust 0,5 dB Nachbarkanalisolierung 25 dB Nicht benachbarte Kanalisolierung 30 dB Totales Crosstalk 24 24 dB Richtwirkung 40 dB Rückflussdämpfung mit Anschlüssen 40 45 dB Chromatische Dispersion -20 +20 ps/nm PDL 0,5 dB PMD 1,0 PS Optische Leistungsaufnahme des gemeinsamen Ports 24 dBm Nettogewicht 3.5 KGS Abmessungen (HxBxT) 44x481,8x230mm mm Betriebsbedingungen Parameter _ Mindest Max Einheiten Temperatur -5 65 ℃ Feuchtigkeit Nicht kondensierend 0 90 % RH Lagerbedingungen Parameter Mindest Max Einheiten Temperatur -40 85 ℃ Feuchtigkeit Nicht kondensierend 0 90 % RH
eine Nachricht hinterlassen
eine Nachricht hinterlassen
WENN Sie sind an unseren Produkten interessiert und möchten mehr Details erfahren, bitte hinterlassen Sie hier eine Nachricht, wir antworten Ihnen so schnell wie wir.

Heim

Produkte

um

Kontakt