QSFP112 400G BASE-SR4 850 nm 100 m Transceiver

QSFP112 400G BASE-SR4 850 nm 100 m Transceiver

Der 400G QSFP112 SR4 Transceiver ist für das Senden und Empfangen serieller optischer Datenverbindungen mit einer Datenrate von bis zu 106,25 Gb/s (pro Kanal) im PAM4-Modulationsformat über Multimode-Glasfaser ausgelegt. Es handelt sich um ein Hot-Plug-fähiges Transceiver-Modul im kleinen Formfaktor mit integrierter optischer Extinktionsrate von 2,5 dB und leistungsstarkem VCSEL. Er ist kompatibel mit den 400G-Ethernet-Spezifikationen und QSFP112 MSA.

  • Produktdetail

QSFP112 400G BASE-SR4 850 nm 100 m Transceiver

Anwendung

  • 400GBASE-SR4 Ethernet
  • Switch- und Router-Verbindungen
  • Rechenzentren
  • Weitere 400G-Verbindungsanforderungen

Merkmale

  • Datenrate 106,25 Gbit/s (PAM4) pro Kanal
  • MPO-12 APC-Anschluss
  • 4x100G PAM4 VCSEL-Array
  • Einzelne +3,3-V-Stromversorgung
  • DDM-Funktion implementiert
  • Hot-Plug-fähiger QSFP112-Formfaktor
  • Maximale Verbindungslänge von 100 m auf OM4/0M5 (MMF)
  • Betriebstemperaturbereich: 0~+70°C
  • Maximale Leistungsaufnahme 10W
  • Laser der Klasse 1
  • ROHS 6.0-Konformität

Spezifikation

Parameter Symbol Einheit Mindest Typ Max Hinweise
Sender (pro Spur)
Signalgeschwindigkeit pro Spur GBd 53,125 ± 100 pm
Modulationsformat PAM4
Mittlere Wellenlänge nm 844 850 863
RMS-Spektralbreite Effektivwert dB 0,6
Durchschnittliche Startleistung pro Spur TXPx dBm -4,6 4
Äußere optische Modulationsamplitude pro Spur OMAouter dBm -2,6 3.5
Senderausflug, jede Spur DPx dB 2.3

Sender- und Dispersionsstrafe Augenschließung für PAM4, jede Spur

TDECQ dB 4.4

Durchschnittliche Startleistung des ausgeschalteten Senders, jede Spur

dBm -30
Senderübergangszeit Tr、Tf ps 17
Optisches Extinktionsverhältnis ER dB 2.5
RIN 12 OMA dB/Hz -132
Toleranz der optischen Rückflussdämpfung dB 12
Eingekreister Fluss ≥86 % bei 19 mm, ≤30 % bei 4,5 mm

Parameter Symbol Einheit Mindest Typ Max Hinweise
Empfänger (pro Spur)
Signalgeschwindigkeit pro Spur GBd 53,125 ± 100 pm
Modulationsformat PAM4
Eingangsbetriebswellenlänge nm 842 948
Schadensschwelle pro Spur DT dBm 5
Durchschnittliche Empfangsleistung pro Spur RXPx dBm -6,4 4
Empfangsleistung OMAouter pro Lane OMAouter dBm 3.5
Empfängerreflexion Rfl -12

Empfängerempfindlichkeit (OMAouter), jede Spur

dBm -4,6
Stressempfindlichkeit (OMAouter) 5 dBm -2

BER=2,4E-4 TDECQ=4,4

Bestellinformationen

Teilenummer Technische Daten Anwendung
Paket Datenrate Laser Optische Leistung Detektor Empfindlichkeit Temperatur Erreichen Sonstige

RQ112-400G-SR4

QSFP112 400G VCSEL -4,6 bis 4 dBm STIFT <-4,6 dBm bei OMA 0~70 ℃ 100 Millionen RoHS

400G Basis SR4

Absolute Höchstwerte

Parameter Symbol Einheit Mindest Max
Lagertemperaturbereich Ts -40 +85
Relative Luftfeuchtigkeit RH % 5 95
Versorgungsspannung Vcc V -0,5 +4,0

Empfohlene Betriebsbedingungen

Parameter Symbol Einheit Mindest Typ Max
Betriebstemperaturbereich des Gehäuses Tc 0 / 70
Versorgungsspannung Vcc V 3.135 3.3 3.465

Optische Schnittstelle

QSFP112 400G BASE-SR4 Transceiver Abbildung 1 Optische Spursequenz

Prinzipdiagramm

QSFP112 400G BASE-SR4 Transceiver Abbildung 2: Modulprinzipdiagramm

Definition von elektrischen Häfen

Parameter Symbol Einheit Mindest Typ Max Hinweise
Versorgungsspannung VCC V 3.14 3.47
Versorgungsstrom ICC mA 3000
Initialisierungszeit beim Einschalten des Transceivers MS 2000
Sender
PAM4-Signalisierungsrate pro Spur BR GBd 53,125 PAM4
Toleranz der Single-Ended-Eingangsspannung VinT V -0,3 4.0
Differenzieller Dateneingangs-Swing Fahrgestellnummer mVp-p 880
Gleichtaktrauschen (RMS) mV 17,5

Differenzial Differenzial-Abschlusswiderstandsfehlanpassung

% 10

Empfänger

PAM4-Signalisierungsrate pro Spur

GBd 53,125

Single-Ended-Ausgangsspannung

VoutR V 0,45

Differenzieller Datenausgangshub

Vout,PP mVp-p 900

Gleichtaktrauschen (RMS)

mV 17,5

Differenzial Differenzial-Abschlusswiderstandsfehlanpassung

% 10

IIC-Kommunikation

IIC-Taktfrequenz (Schnellmodus)

MHZ 1

Uhrendehnung

uns 500

Datenhaltezeit

ns 300

QSFP112 400G Transceiver

Abbildung 3: Details zur elektrischen Pinbelegung

Pin-Beschreibungen

Pin-Nr. Logik Symbol Beschreibung Notiz
1 GND Boden 1
2 CML-I Tx2n Invertierter Dateneingang des Senders
3 CML-I Tx2p Nicht invertierter Datenausgang des Senders
4 GND Boden 1
5 CML-I Tx4n Invertierter Dateneingang des Senders
6 CML-I Tx4p Nicht invertierter Datenausgang des Senders
7 GND Boden 1
8 LVTTL-I ModSelL Wählen
9 LVTTL-I ZurücksetzenL Zurücksetzen
10 VccRx +3,3 V Stromversorgung Empfänger 2
11 LVCOMS-E/A SCL 2-Draht-Serieller Schnittstellentakt
12 LVCOMS-E/A SDA 2-Draht-Seriell-Schnittstellendaten
13 GND Boden 1
14 CML-0 Rx3p Nicht invertierter Datenausgang des Empfängers
15 CML-0 Rx3n Invertierter Datenausgang des Empfängers
16 GND Boden 1
17 CML-0 Rx1p Nicht invertierter Datenausgang des Empfängers
18 CML-0 Rx1n Invertierter Datenausgang des Empfängers
19 GND Boden 1
20 GND Boden 1
21 CML-0 Rx2n Invertierter Datenausgang des Empfängers
22 CML-0 Rx2p Nicht invertierter Datenausgang des Empfängers
23 GND Boden 1
24 CML-0 Rx4n Invertierter Datenausgang des Empfängers
25 CML-0 Rx4p Nicht invertierter Datenausgang des Empfängers
26 GND Boden 1
27 LVTTL-0 ModPrsL Gegenwärtig
28 LVTTL-0 IntL/RxLOS Interrupt/optional RxLOS
29 VccTx +3,3 V Stromversorgung Sender 2
30 Vcc1 +3,3 V Stromversorgung 2
31 LVTTL-I LPMode/TxDis Energiesparmodus/optionale TX-Deaktivierung
32 GND Boden 1
33 CML-I Tx3p Invertierter Dateneingang des Senders
34 CML-I Tx3n Nicht invertierter Datenausgang des Senders
35 GND Boden 1
36 CML-I Tx1p Invertierter Dateneingang des Senders
37 CML-I Tx1n Nicht invertierter Datenausgang des Senders
38 GND Boden 1
39 GND Boden 1
40 CML-I Tx6n Invertierter Dateneingang des Senders
41 CML-I Tx6p Nicht invertierter Datenausgang des Senders
42 GND Boden 1
43 CML-I Tx8n Invertierter Dateneingang des Senders
44 CML-I Tx8p Nicht invertierter Datenausgang des Senders
45 GND Boden 1
46 Reserviert Für zukünftige Verwendung 3
47 VS1 Modul anbieterspezifisch 1 3
48 VccRx1 +3,3 V Stromversorgung Empfänger 2
49 VS2 Modulanbieterspezifisch 2 3
50 VS3 Modul anbieterspezifisch 3 3
51 GND Boden 1

Hinweise:

1. GND ist das Symbol für Signal und Versorgung (Strom) des QSFP112-Moduls. Innerhalb des QSFP112-Moduls sind alle gemeinsam und alle Spannungen beziehen sich auf dieses Potenzial, sofern nicht anders angegeben. Verbinden Sie diese direkt mit der gemeinsamen Signal-Massefläche der Hostplatine. 2. Vcc Rx, Vcc1 und Vcc Tx sind die Stromversorgungen für Empfänger und Sender und müssen gleichzeitig angewendet werden. Die für die Hostseite des Host Edge Card Connector definierten Anforderungen sind in Tabelle 4 aufgeführt. Die empfohlene Filterung der Stromversorgung der Hostplatine ist in Abbildung 4 dargestellt. Vcc Rx, Vcc1 und Vcc Tx können intern innerhalb des QSFP112-Moduls in beliebiger Kombination verbunden werden. Die Anschlussstifte sind jeweils für einen maximalen Strom von 1,5 A ausgelegt (für eine hohe Modulleistung von 15–20 W ist ein maximaler Strom von 2,0 A erforderlich).

Modulspeicherzuordnung

QSFP112 400G Transceiver QSFP112 400G Transceiver

Abbildung 4: Digitale Diagnosespeicherkarte

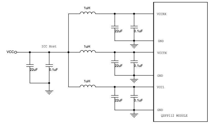
Filterung der Stromversorgung der Hostplatine

Jeder Spannungsabfall über ein Filternetzwerk auf dem Host wird auf die Genauigkeitsspezifikation des Host-DC-Sollwerts angerechnet. Um die erforderliche Spannung am Host-Edge-Card-Anschluss aufrechtzuerhalten, sollten Induktivitäten mit einem DC-Widerstand von weniger als 0,1 Ohm verwendet werden. Abbildung 5 zeigt die empfohlene Transceiver-/Host-Schnittstelle.

QSFP112 400G BASE-SR4

Abbildung 5: Empfohlene Filterung der Stromversorgung der Hostplatine

Paketübersicht

QSFP112 400G BASE-SR4

Möchten Sie mehr über dieses Produkt erfahren?

SENDEN SIE EINE Nachricht
eine Nachricht hinterlassen

WENN Sie sind an unseren Produkten interessiert und möchten mehr Details erfahren, bitte hinterlassen Sie hier eine Nachricht, wir antworten Ihnen so schnell wie wir.

Ähnliche Produkte
400G QSFP28 DR4 400g Qsfp-dd DR4 Pam4 1310nm 500m MPO optisch Transceiver
400g Qsfp-dd DR4 optisch Transceiver Modul, Unterstützung 400 GB / s und bis zu 500m Getriebe auf SM-Faser, es funktioniert in High-Speed IDC Verbindung Lösungen.
400G QSFP28 SR8 400G QSFP-DD SR8 850nm MPO 100M optischer Transceiver
400G QSFP-DD SR8 optisches Transceiver-Modul, unterstützt 400 GB/s und bis zu 100 m Übertragung auf MM-Glasfaser, es funktioniert in Hochgeschwindigkeits-IDC-Verbindungslösungen.
400G QSFP28 SR8 400G QSFP-DD LR4 10KM optischer Transceiver
400G QSFP-DD LR4 optisches Transceiver-Modul, unterstützt 400 Gb/s und bis zu 10 km Übertragung auf SM-Glasfaser, funktioniert in Hochgeschwindigkeits-IDC-Verbindungslösungen. Merkmale Konform mit QSFP-DD MSA Konform mit 100G Lambda MSA 400G-LR4 Spezifikation konform Konform mit CMIS5.0 Konform mit IEEE Std 802.3bs 8x53,125 Gb/s elektrische Schnittstelle (400GAUI-8) Gekühlter EML-Laser mit CWDM-Wellenlänge Bis zu 10 km Übertragung auf Singlemode-Glasfaser (SMF) mit FEC Einzelne +3,3-V-Stromversorgung Gehäusetemperaturbereich: 0 ~ +70℃ Maximale Leistungsaufnahme 12W Duplex-LC-Anschluss RoHS-Beschwerde Anwendungen 400G BASE-LR4-Ethernet Rechenzentrumsverbindung Unternehmensnetzwerk
400G CFP2 Optical Transceiver Module Optisches 400G-CFP2-DCO-Transceiver-Modul
400G CFP2 optisches Transceiver-Modul Wird auf der Hauptplatine des Systems verwendet Bis zu 2000 km im MAN DWDM-Einsatz
OSFP 400G SR4 400G OSFP SR4 MM MPO12 optischer Transceiver IB
Merkmale Serielle optische OSFP-Schnittstelle 4x100G PAM4 neu getaktete 400GAUI-4 elektrische Schnittstelle Aktives optisches Kabel 4-Kanal-VCSEL-Arrays und 4-Kanal-PIN-Fotodetektor-Arrays Maximale Verbindungslänge von 60 m bei OM3 oder 100 m bei OM4 OSFP MSA-konform Hot-Plug-fähiger OSFP-Formfaktor Konform mit der OSFP-Modulspezifikation Rev 5.0 Konform mit CMIS 5.2 Support-Protokoll Konform mit IEEE 802.3db Konform mit IEEE 802.3ck Energieeffizient Weniger als 8 W im Temperaturbereich von 0 bis 70 °C Anwendungen 400GBASE-SR4 400G Ethernet Rechenzentrum
OSFP 400G DR4 400G OSFP DR4 SM MPO12 optischer Transceiver IB
Merkmale Formfaktor: Hot-plug-fähiger OSFP-Formfaktor  Datenrate: Gesamtdatenrate von 425 Gbit/s und Breakout-Datenrate von 106,25 Gbit/s  Optische Schnittstelle: Konform mit 400GBASE-DR4 und 4x100GBASE-DR Sender: EML 1310 nm Sender  Elektrische Schnittstelle: Konform mit 400GAUI-4 und 4x100GAUI-1 Empfänger: PIN- und TIA-Array auf der Empfängerseite Verwaltungsschnittstelle: I2C-Verwaltungsschnittstelle Reichweite: Bis zu 500 m über MPO-12/APC-Singlemode-Glasfaser  Stromverbrauch: 9 W max  Betriebsgehäusetemperatur: 0 ~ 70 ℃ Stromversorgung: Einzelnes 3,3-V-Netzteil Einhaltung Formfaktor: OSFP MSA Optisch: IEEE802.3bs Elektrisch: IEEE802.3ck Firmware: CMIS Umwelt: RoHS Stabilität: GR-468-CORE Anwendungen 400 Gbit/s Ethernet Rechenzentrum  InfiniBand
400G QSFP-DD FR4 400G QSFP-DD FR4 2KM optischer Transceiver
Anwendungen 400G BASE-FR4 Ethernet Rechenzentrumsverbindung InfiniBand-Verbindung Unternehmensnetzwerke Merkmale Konform mit QSFP-DD MSA 4 CWDM-Spuren MUX/DEMUX-Design 100G Lambda MSA 400G-FR4 Spezifikationskonform Maximaler Stromverbrauch 10 W
QSFP-DD 400G EDR4 400G QSFP-DD EDR4 SM MPO12 2 km optischer Transceiver
Merkmale Entspricht der IEEE 802.3bs-Spezifikation QSFP-DD MSA-konform 4x106,25 Gbit/s PAM4 optische Schnittstelle 8x53,125 Gbit/s PAM4 elektrische Schnittstelle I2C-Schnittstelle mit integriertem DDM Bis zu 2 km Übertragungsentfernung auf Singlemode-Glasfaser (SMF) mit FEC Spannung der oberen Lage: 3,3 V Maximaler Stromverbrauch: 12 W MTP/MPO-12-Anschluss Betriebsgehäusetemperatur: 0 bis 70 °C RoHS-konform Anwendungen 400G-Ethernet Unternehmensnetzwerke für Rechenzentren
eine Nachricht hinterlassen
eine Nachricht hinterlassen
WENN Sie sind an unseren Produkten interessiert und möchten mehr Details erfahren, bitte hinterlassen Sie hier eine Nachricht, wir antworten Ihnen so schnell wie wir.

Heim

Produkte

um

Kontakt