100G QSFP28 10km PSM4 Transceiver

100G QSFP28 10km PSM4 Transceiver

Der optische Transceiver RQ-100G-PSM4 QSFP28 ist für Reichweiten bis zu 10 km mit einer Datenrate von 25,78125 Gbit/s auf vier Lanes ausgelegt. Er basiert auf einer 3,3-V-Gleichstromversorgung und arbeitet im üblichen Temperaturbereich. Er ist kompatibel mit QSFP MSA, SFF-8436, SFF-8636 und PSM4 MSA. Digitale Diagnosefunktionen sind über die I²C-Schnittstelle verfügbar, und die Steuerungsfunktionen, insbesondere Modulauswahl (ModSelL), Modulrücksetzung (ResetL) und Energiesparmodus (LPMode), werden über die LVTTL-Schnittstellen des Hosts realisiert. Der Transceiver verfügt über ein Vier-Laser-Array (üblicherweise DFB), ein Vier-PIN-Dioden-Array, einen leistungsstarken CDR-Chip, vier integrierte Treiber und TIA-ICs. Die differentiellen, AC-gekoppelten Sende- und Empfangsdatenschnittstellen sind CML-kompatibel.

  • Produktdetail

100G QSFP28 10km PSM4 Transceiver

Anwendungen

  • 100G BASE Ethernet
  • Infiniband EDR-Verbindungen
  • Unternehmensnetzwerke

Merkmale

  • MPO12 optische Schnittstelle
  • Maximale Verbindungslänge bis zu 10 km
  • Bis zu 25,78125 Gbit/s Datenverbindungen pro Lane
  • +3,3 V Stromversorgung
  • QSFP MSA-konformes Paket
  • Hot-Plug-fähig
  • Hochleistungsfähiger DML-Sender im Singularmodus
  • Hochempfindlicher optischer PIN/TIA-Empfänger
  • Einzelmodusbetrieb
  • BER < 5E-5@-12,5dBm(OMA)
  • Eingebauter CDR
  • Betriebstemperatur des Gehäuses: 0 bis 70ºC
  • Daten- und Steuerungsschnittstellen
  • Tx-Daten CML/AC gekoppelt
  • Rx-Daten CML/AC gekoppelt
  • ModSelL LVTTL
  • ResetL LVTTL
  • ModPrsL LVTTL
  • LPMode LVTTL
  • 2-Draht-I2C-Kommunikationsbus
  • RoHS 6-Konformität

Absolute Maximalparameter

Absolute Maximalwerte (DIE ÜBERSCHRIFT DIESER WERTE KANN ZU UNWIDERRUFBAREN SCHÄDEN AM GERÄT FÜHREN)

Parameter

Symbol

Min

Max

Einheiten

Anmerkungen

Lagertemperatur

Tstg

-40

+95

°C

Das Überschreiten der absoluten Maximalwerte kann zu irreversiblen Schäden am Gerät führen.

Das Gerät ist nicht für den Betrieb unter Bedingungen gleichzeitiger absoluter Maximalwerte ausgelegt, da dies zu irreversiblen Schäden am Gerät führen kann.

Gehäusebetriebstemperatur (kommerziell)

ZU

0 +70

°C

Relative Luftfeuchtigkeit - Lagerung

RHS

0 95 %

Relative Luftfeuchtigkeit - Betrieb

RHO

0 85 %

Versorgungsspannung

VCC

-0,3 3.6 V

Betriebsbedingungen

Empfohlene Betriebsbedingungen

Parameter

Symbol

Min

Typ

Max

Einheiten

Gehäusebetriebstemperatur

Tcase

0

+70

°C

Gleichspannungsversorgung

VCC

3.135

3,465

V

Modulversorgungsstrom

IIN

1000 mA

Elektrische Eigenschaften

Elektrische Eigenschaften des Senders

Parameter

Symbol

Min

Typ

Max

Einheiten

Differenzieller Dateneingangsschwingung

VIN

180

900

mV

Tx Differenzeingangsimpedanz

Zink

90 100 110

Ω

Tx Differenzausgangsimpedanz

Zout

45 50 55

Ω

ResetL Spannung deaktivieren

VR

2.0

Vcc+0,3

V

ResetL-Aktivierungsspannung

VrEN

0

0,8

V

ModSelL Spannung deaktivieren

Vm

2.0

Vcc+0,3

V

ModSelL Aktivierungsspannung

VmEN

0

0,8

V

Elektrische Eigenschaften des Empfängers

Parameter

Symbol

Min

Typ

Max

Einheiten

Differenzielle Datenausgangsschwingung

VOUT

180 900

mV

Rx Differenzausgangsimpedanz

ZOUT

90 100 110

Ω

IntL Assert Voltage

Vint

VCC-0,5

VCC+0,3

V

IntL De-assert Voltage

VDInt

0

+0,4

V

Optische Spezifikation

Optische Spezifikation des Senders

Parameter

Symbol

Min

Typ

Max

Einheiten

Anmerkungen

Signalstärke | Pro Fahrspur

25,78125±100ppm

Gbit/s

Wellenlänge der Fahrspur

L0

1295

1310

1325

nm

L1

1295

1310

1325

nm

L2

1295

1310

1325

nm

L3

1295

1310

1325

nm

Seitenmodus-Unterdrückungsverhältnis

SMSR

30

dB

Durchschnittliche Gesamtstartleistung

Ptol

8.0

dBm

Durchschnittliche Startleistung | Pro Bahn

Pavg

-9,4 2.0

dBm

Optische Modulationsamplitude | Jede Spur

OMA

2.2

dBm

1

Sender- und Streuungsstrafe | Jede Spur

TDP

2.9

dB

Koordinaten der Augenmaske:

X1, X2, X3, Y1, Y2, Y3

{0,31, 0,4, 0,45, 0,34, 0,38, 0,4}

2

Durchschnittliche Sendeleistung des ausgeschalteten Senders | Jede Spur

-30

dBm

Aussterbeverhältnis

Notaufnahme

3,5

dB

Spektrale Breite | 20 dB

1

nm

Senderreflexion

-12

dB

Toleranz gegenüber optischem Rückfluss

20

dB

Notiz:

  1. Auch wenn der TDP < 1 dB ist, muss der OMA min den hier angegebenen Mindestwert überschreiten.
  2. Trefferquote von 5e-5, laut IEEE.

Optische Spezifikation des Empfängers

Parameter

Symbol

Min

Typ

Max

Einheiten

Anmerkungen

Signalgeschwindigkeit pro Fahrspur

25,78125±100ppm

Gbit/s

Wellenlänge der Fahrspur

L0

1295

1310

1325

nm

L1

1295

1310

1325

nm

L2

1295

1310

1325

nm

L3

1295

1310

1325

nm

Schadensschwelle | Jede Fahrspur

THd

3.0

dBm

1

Durchschnittliche Empfangsleistung | Pro Spur

-12,66

2.0

dBm

Empfängerreflexion

-26

dB

Empfindlichkeit OMA|Jede Spur[1]

Sen

-12,5

dBm

2

Belastete Empfängerempfindlichkeit

(OMA), jede Spur

-8,8

dBm

LOS-Behauptung

LOSA

-15,5

LOS Deassert

LOSD

-13,5

LOS-Hysterese

LOSH

0,5 3

Strafe für vertikalen Augenschluss

VECP

1.9

dB

3

Stressed Eye J2 Jitter

J2

0,27

Benutzeroberfläche

Stressed Eye J4 Jitter

J4

0,39

Benutzeroberfläche

Notiz:

1. The receiver shall be able to tolerate, without damage, continuous exposure to a modulated optical input signal having this power level on one lane. The receiver does not have to operate correctly at this input power.

2. Measured with conformance test signal at receiver input for BER = 5e-5 BER.

3. Vertical eye closure penalty and stressed eye jitter are test conditions for measuring stressed receiver sensitivity. They are not characteristics of the receiver

Digital diagnosti

Monitoring Interface

Parameter

Symbol

Spec

Units

Condition/Notes

Temperature

Te

+/-3

°C

Voltage

VCC

+/-5%

V

IBias

BIAS

+/-10%

mA

Rx power

Rx-pwr

+/-2

dBm

Tx power

Tx-pwr

+/-2

dBm

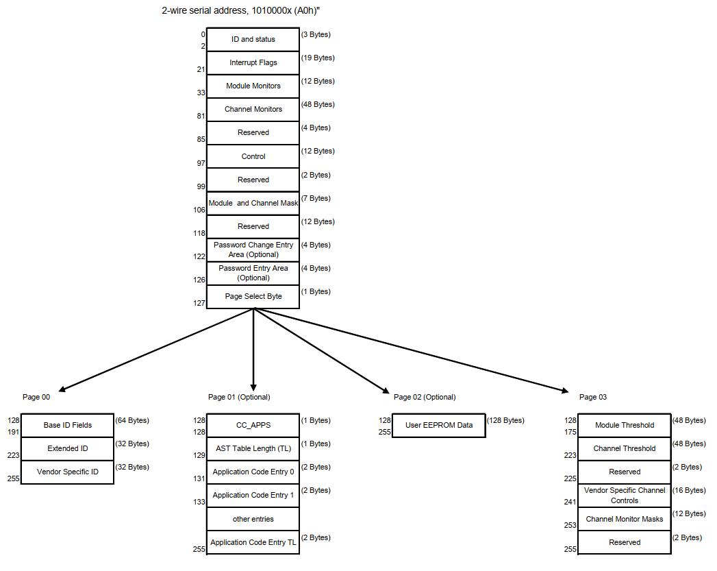
Memery Map

100G QSFP28 10km PSM4 Transceivers

PIN Assignmen

100G QSFP28 10km PSM4 Transceivers

ModSelL

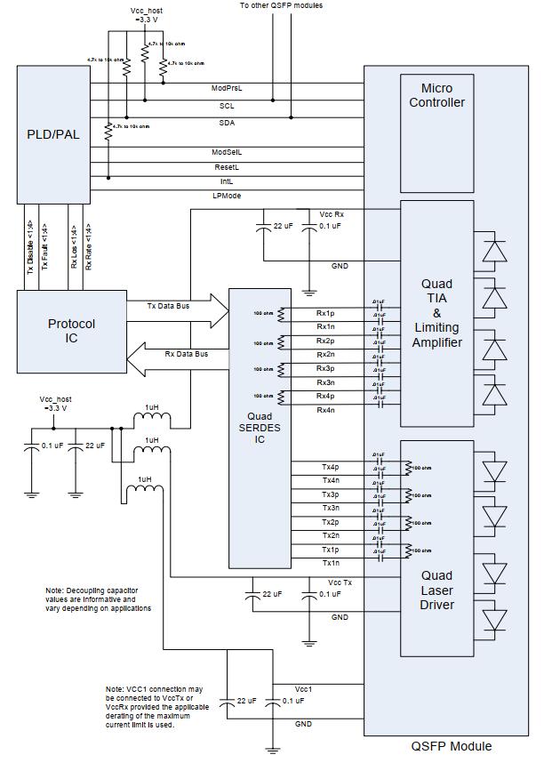
The ModSelL is an input pin. When held low by the host, the module responds to 2-wire serial communication commands. The ModSelL allows the use of multiple QSFP modules on a single 2-wire interface bus. When the ModSelL is “High”, the module shall not respond to or acknowledge any 2-wire interface communication from the host. ModSelL signal input node must be biased to the “High” state in the module.In order to avoid conflicts, the host system shall not attempt 2-wire interface communications within the ModSelL de-assert time after any QSFP modules are deselected. Similarly, the host must wait at least for the period of the ModSelL assert time before communicating with the newly selected module. The assertion and de-asserting periods of different modules may overlap as long as the above timing requirements are met

ResetL

The ResetL pin must be pulled to Vcc in the QSFP module. A low level on the ResetL pin for longer than the minimum pulse length (t_Reset_init) initiates a complete module reset, returning all user module settings to their default state. Module Reset Assert Time (t_init) starts on the rising edge after the low level on the ResetL pin is released. During the execution of a reset (t_init) the host shall disregard all status bits until the module inidicates a completion of the reset interrupt. The module indicates this by posting an IntL signal with the Data_Not_Ready bit negated. Note that on power up (including hot insertion) the module should post this completion of reset interrupt without requiring a reset.

ModPrsL

ModPrsL is pulled up to Vcc_Host on the host board and grounded in the module. The ModPrsL is asserted “Low” when inserted and deasserted “High” when the module is physically absent from the host connector

IntL

IntL is an output pin. When “Low”, it indicates a possible module operational fault or a status critical to the host system. The host identifies the source of the interrupt using the 2-wire serial interface.The IntL pin is an open collector output and must be pulled to host supply voltage on the host board.

LPMode

Der LPMode-Pin des QSFP-Moduls muss auf Vcc gezogen werden. Diese Funktion wird durch den LPMode-Pin und die Kombination der Software-Steuerbits Power_over-ride und Power_set (Adresse A0h, Byte 93, Bits 0,1) gesteuert. Das Modul verfügt über zwei Betriebsmodi: einen Energiesparmodus und einen Hochleistungsmodus. Im Hochleistungsmodus arbeitet das Modul in einer der vier Leistungsklassen. Im Energiesparmodus beträgt die maximale Leistungsaufnahme 1,5 W. Dies schützt Hosts, die Module mit höherer Leistungsaufnahme nicht ausreichend kühlen können, falls solche Module versehentlich eingesetzt werden.


Die serielle 2-Draht-Schnittstelle des Moduls und alle Lasersicherheitsfunktionen müssen im Energiesparmodus voll funktionsfähig sein. Das Modul muss auch im Energiesparmodus die Ausführung von Reset-Interrupts unterstützen. Falls die erweiterten Identifikationsbits (Seite 00h, Byte 129, Bits 6-7) einen Stromverbrauch von mehr als 1,5 W anzeigen und sich das Modul im Energiesparmodus befindet, muss es seinen Stromverbrauch auf unter 1,5 W reduzieren und dabei die oben genannten Funktionen beibehalten. Die genaue Methode zur Erreichung des Energiesparmodus ist nicht spezifiziert; es ist jedoch wahrscheinlich, dass entweder der Sender (Tx) oder der Empfänger (Rx) oder beide in diesem Zustand nicht funktionieren. Falls die erweiterten Identifikationsbits (Seite 00h, Byte 129, Bits 6-7) einen Stromverbrauch von weniger als 1,5 W anzeigen, muss das Modul unabhängig vom Energiespar- oder Hochleistungsmodus voll funktionsfähig sein.

Das Modul sollte im Energiesparmodus sein, wenn der LPMode-Pin auf High-Pegel liegt oder wenn sowohl das Power_override-Bit als auch das Power_set-Bit auf High-Pegel stehen. Das Modul sollte im Hochleistungsmodus sein, wenn der LPMode-Pin auf Low-Pegel liegt oder das Power_override-Bit auf High-Pegel und das Power_set-Bit auf Low-Pegel steht. Beachten Sie, dass der Standardzustand des Power_override-Bits Low ist.

Elektrische Schnittstelle

100G QSFP28 10km PSM4 Transceivers

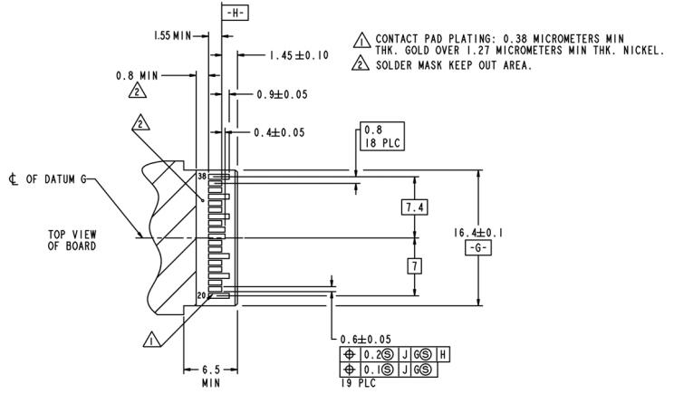
Empfohlenes Leiterplattenlayout

100G QSFP28 optical module 100G QSFP28 optical module

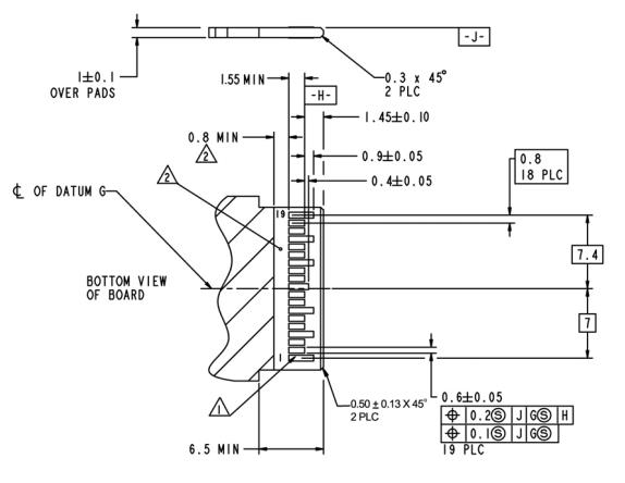
Mechanische Abmessungen

100G QSFP28 optical module

Anmerkungen:

1、Toleranz: +/-0,1 mm.

2. Andere gemäß SFF-8661 oder Kundenspezifikation.

3. Optischer Anschluss gemäß Spezifikation für Glasfaserstecker.

Warnungen

Vorsichtsmaßnahmen beim Umgang:

Dieses Gerät ist anfällig für Schäden durch elektrostatische Entladung (ESD). Eine elektrostatisch freie Umgebung wird dringend empfohlen. Beachten Sie die Richtlinien für geeignete ESD-Schutzmaßnahmen.

Lasersicherheit:

Die von Lasergeräten abgegebene Strahlung kann für das menschliche Auge gefährlich sein. Vermeiden Sie direkten und indirekten Augenkontakt mit Strahlung.

Beachten:

Die auf dieser Seite bereitgestellten Informationen enthalten die Produktspezifikationen, die ohne vorherige Ankündigung geändert werden können.

Erkundigen Sie sich bei Ihrem Litecore-Vertriebsbüro nach Produktaktualisierungen, Änderungen der Spezifikationen, der Verfügbarkeit von Mustern und den Produktionsfreigabeterminen.

Möchten Sie mehr über dieses Produkt erfahren?

SENDEN SIE EINE Nachricht
eine Nachricht hinterlassen

WENN Sie sind an unseren Produkten interessiert und möchten mehr Details erfahren, bitte hinterlassen Sie hier eine Nachricht, wir antworten Ihnen so schnell wie wir.

Ähnliche Produkte
100G QSFP SR4 100G QSFP28 SR4 100m 850nm MPO Optischer Transceiver
100G QSFP28 SR4 100m 850nm MPO Optischer Transceiver, unterstützt 100Gb/s und bis zu 100m Übertragung auf MM-Glasfaser, funktioniert in Hochgeschwindigkeits-IDC-Verbindungslösungen und so weiter. Merkmale Entspricht IEEE-Standard 802.3bm Entspricht SFF-8665 Übertragungsdatenrate bis zu 25,78125 Gbit/s Datenrate pro Kanal Hohe Zuverlässigkeit 850-nm-VCSEL-Technologie Elektrisch Hot-Plug-fähig Einzelne +3,3-V-Stromversorgung Gehäusetemperaturbereich: 0 ~ +70℃ Maximaler Stromverbrauch 2,5 W Einzelner MPO12-Anschluss RoHS-Beschwerde
100G QSFP28 CWDM4 100G QSFP28 CWDM4 10km LC optischer Transceiver
100G QSFP28 CWDM4 optischer Transceiver-Modul, unterstützt 100 Gb/s und bis zu 10 km Übertragung auf SM-Faser, es funktioniert in Hochgeschwindigkeits-IDC-Verbindungslösungen usw.
100G QSFP28 LR4 100G QSFP28 LR4 1310nm 10km LC Optischer Transceiver
100G QSFP28 LR4 optisches Transceiver-Modul, unterstützt 100 Gb/s und bis zu 10 km Übertragung auf SM-Glasfaser, funktioniert in Hochgeschwindigkeits-IDC-Verbindungslösungen und so weiter. Merkmale 4-spuriges MUX/DEMUX-Design Integriertes LAN WDM TOSA / ROSA für bis zu 10 km Reichweite über SMF Unterstützt 100GBASE-ER4 für eine Leitungsrate von 103,125 Gbit/s und OTU4 für eine Leitungsrate von 111,81 Gbit/s Gesamtbandbreite von >100 Gbit/s Duplex-LC-Anschlüsse Konform mit IEEE 802.3-2012 Clause 88-Standard IEEE 802.3bm CAUI-4-Chip zum Modul-Elektrostandard ITU-T G.959.1-2012-02-Standard· Einzelne +3,3-V-Stromversorgung in Betrieb Eingebaute digitale Diagnosefunktionen Temperaturbereich 0°C bis 70°C RoHS-konformes Teil Unterstützt FEC (Forward Error Correction)
100G QSFP28 ER4 100G QSFP28 ER4 40Km 1310nm LC Optischer Transceiver
100G QSFP28 ER4 optisches Transceiver-Modul, unterstützt 100 Gb/s und bis zu 40 km Übertragung auf SM-Glasfaser, funktioniert in Hochgeschwindigkeits-IDC-Verbindungslösungen und so weiter. Merkmale: 4-spuriges MUX/DEMUX-Design Unterstützt 100GBASE-ER4 für eine Leitungsgeschwindigkeit von 103,125 Gbit/s. Integriertes LAN WDM TOSA / ROSA für bis zu 40 km Reichweite über SMF. Gesamtbandbreite von >100 Gbit/s Duplex-LC-Anschlüsse Konform mit IEEE 802.3-2012 Clause 88-Standard IEEE 802.3bm CAUI-4-Chip zum elektrischen Modulstandard ITU-T G.959.1-2012-02-Standard· Einzelne +3,3-V-Stromversorgung in Betrieb Eingebaute digitale Diagnosefunktionen Temperaturbereich 0°C bis 70°C RoHS-konformes Teil Unterstützt FEC (Forward Error Correction)
100G QSFP28 ZR4 100 Gbit QSFP28 ZR4 80 km 1310 nm LC optischer Transceiver
100G QSFP28 ZR4 optisches Transceiver-Modul, unterstützt 100 Gb/s und bis zu 80 km Übertragung auf SM-Glasfaser, funktioniert in Hochgeschwindigkeits-IDC-Verbindungslösungen und so weiter. Merkmale 4-spuriges MUX/DEMUX-Design Unterstützt 100GBASE-ZR4 für eine Leitungsrate von 103,125 Gbit/s und OTU4 für eine Leitungsrate von 111,81 Gbit/sLANWDM EML-Laser und PIN-Empfänger mit SOA Gesamtbandbreite von >100 Gbit/s Duplex-LC-Anschlüsse Konform mit IEEE 802.3-2012 Clause 88-Standard IEEE 802.3bm CAUI-4-Chip zum elektrischen Modulstandard ITU-T G.959.1-2012-02-Standard· Einzelne +3,3-V-Stromversorgung in Betrieb Eingebaute digitale Diagnosefunktionen Temperaturbereich 0°C bis 70°C RoHS-konformes Teil Unterstützt FEC (Forward Error Correction)
100G LR1 10km SFP-DD 100G LR1 10km SFP-DD optischer Transceiver
Der optische Transceiver 100G LR1 SFP56-DD (100G SFP56-DD LR1) ist für den Einsatz in 100-Gigabit-Ethernet-Verbindungen über Singlemode-Glasfaser (SMF) mit einer Reichweite von bis zu 10 km konzipiert. Er ist kompatibel mit den Standards SFP56-DD MSA, IEEE 802.3CU, 100G Lambda 100G LR1 und 100GAUI-2 (ohne FEC). Digitale Diagnosefunktionen stehen über die I²C-Schnittstelle gemäß SFP56-DD MSA zur Verfügung. Das Modul verfügt über einen optischen Einkanal-Signalkanal mit einer Mittenwellenlänge von 1311 nm und arbeitet mit einer Datenrate von 100 Gbit/s. Es kann zwei Kanäle mit je 53 Gbit/s elektrischen Eingangsdaten (PAM4) in einen Kanal mit 106 Gbit/s optischen Signal (PAM4) umwandeln und umgekehrt. Die optische Schnittstelle ist ein Duplex-LC-Stecker. Der leistungsstarke, gekühlte EML-Sender und der hochempfindliche PIN-Empfänger gewährleisten optimale Leistung für 100-Gigabit-Ethernet-Anwendungen mit Entfernungen bis zu 10 km.
100G QSFP28 DWDM 100G DWDM QSFP28 Dual-CS-Anschluss PAM4-Transceiver
100G QSFP28 DWDM optisches Transceiver-Modul, unterstützt 48*100gb/s DWDM-System und bis zu 80 km Übertragung auf SM-Glasfaser, es funktioniert in Hochgeschwindigkeits-IDC-Verbindungslösungen.
100G QSFP28 Bidi optical transceiver 100GBASE-SR bidirektionales QSFP28 850/900nm 100m DOM LC MMF optisches Transceiver-Modul
Das optische 100G-QSFP28-BIDI-Transceiver-Modul ist ein steckbarer optischer Transceiver mit einer Duplex-LC-Anschlussschnittstelle für die Datenkommunikation mit kurzer Reichweite und Verbindungsanwendungen mit Multimode-Glasfaser (MMF).. Es bietet Kunden eine überzeugende Lösung, die die Wiederverwendung ihrer vorhandenen 10 ermöglicht GB-Duplex-MMF-Infrastruktur für die Migration zu 100-Gigabit-Ethernet-Konnektivität.
eine Nachricht hinterlassen
eine Nachricht hinterlassen
WENN Sie sind an unseren Produkten interessiert und möchten mehr Details erfahren, bitte hinterlassen Sie hier eine Nachricht, wir antworten Ihnen so schnell wie wir.

Heim

Produkte

um

Kontakt