Vollständiger mechanischer optischer 2x2-Schalter

Vollständiger mechanischer optischer 2x2-Schalter

  • Unübertroffen kostengünstiger, vollständig mechanischer optischer 2x2-Schalter
  • Geringe optische Verzerrungen
  • Hohe Isolierung
  • Hohe Zuverlässigkeit
  • Epoxidfreier optischer Pfad
  • Produktdetail

Vollständiger mechanischer optischer 2x2-Schalter

Der Full 2x2 Glasfaser-Switch verbindet optische Kanäle, indem er ein eingehendes optisches Signal in die Ausgangsfaser leitet oder blockiert. Dies wird durch eine zum Patent angemeldete optomechanische Konfiguration erreicht und über ein elektrisches Steuersignal aktiviert. Eine rastende Version behält den gewählten optischen Pfad bei, nachdem das Antriebssignal entfernt wurde, während die nicht rastenden Versionen nach dem Abschalten der Stromversorgung entweder in den offenen oder geschlossenen Zustand wechseln. Der Mechanischer faseroptischer Schalter verfügt über integrierte elektrische Positionssensoren. Das neue, materialbasierte Design reduziert die Positionsempfindlichkeit beweglicher Teile deutlich und bietet eine beispiellos hohe Stabilität sowie unübertroffen niedrige Kosten

Technische Daten

Betriebswellenlänge

1260~1620 nm (SM)

850 nm (mm)

Einfügungsverlust

≤1,0 dB

Wellenlängenabhängiger Verlust

≤0,25 dB

Polarisationsabhängiger Verlust

≤0,05 dB

Temperaturabhängiger Verlust

≤0,20 dB

Rückflussdämpfung

SM≥50dB

MM≥30dB

Übersprechen

SM≥55dB

MM≥35dB

Schaltzeit

≤8 ms

Wiederholbarkeit

≤±0,02 dB

Haltbarkeit

≥10 7 mal

Betriebsspannung

3 oder 5 V

Schaltertyp

Nicht verriegelnd/verriegelnd

Betriebstemperatur

-20~+70℃

Lagertemperatur

-40~+85℃

Optische Leistung

≤500 mW

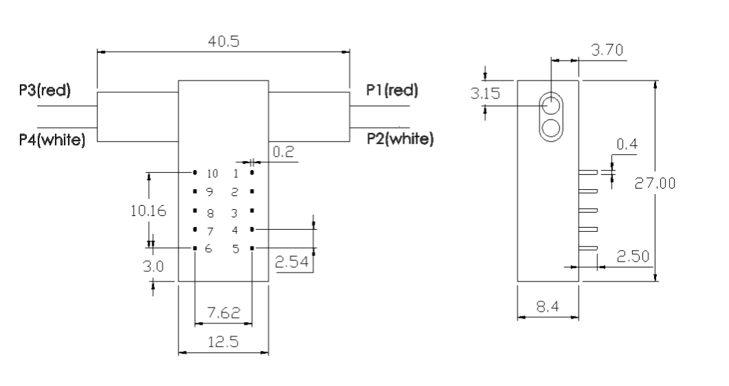
Dimension

27,0L×12,0B×8,2H mm

Pin-Konfigurationen

Typ

Optische Route

Elektroantrieb

Zustandssensor

F2×2

Stift 1

Stift5

Stift6

Teilen10

Stift 2-3

Stift 3-4

Stift 7-8

Stift 8-9

Verriegelung

P1-P4、P2-P3

--

--

GND

V+

Schließen

Offen

Offen

Schließen

P1-P3、P2-P4

V+

GND

--

--

Offen

Schließen

Schließen

Offen

Nicht verriegelnd

P1-P4、P2-P3

--

--

--

--

Schließen

Offen

Offen

Schließen

P1-P3、P2-P4

V+

--

--

GND

Offen

Schließen

Schließen

Offen

Mechanische Abmessungen (Einheit: mm)

Full 2x2 Mechanical Optical Switch

Optische Route

Full 2x2 Mechanical Optical Switch

Bestellinformationen

R D-FSW

-F2X2-

-Wellenlänge-

-Schaltertyp-

-Stromspannung-

-Fasertyp-

-Paket-

-Faserlänge-

-Anschluss-

1060 = 1

C+L=2

1310 = 3

1410 = 4

1550 = 5

650 = 6

780 = 7

1260-1610=A

1310/1550 = 9

850=8

Spezial=0

Verriegelung=1

Nicht verriegelnd=2

MINI-Verriegelung=3

MINI ohne Verriegelung=4

Spezial=0

3V=3

5 V = 5

Spezial=0

SM28=1

50/125=5

62,5/125=6

Spezial=0

Blanke Faser = 1

900 µm-Röhrchen = 3

Spezial=0

0,25 m = 1

0,5 m = 2

1,0 m = 3

Spezial=0

Keine=1

FC/PC=2

FC/APC=3

SC/PC=4

SC/APC=5

ST/PC=6

LC/PC=7

Duplex LC=8

Spezial=0

Möchten Sie mehr über dieses Produkt erfahren?

SENDEN SIE EINE Nachricht
eine Nachricht hinterlassen

WENN Sie sind an unseren Produkten interessiert und möchten mehr Details erfahren, bitte hinterlassen Sie hier eine Nachricht, wir antworten Ihnen so schnell wie wir.

Ähnliche Produkte
Mechanical Fiber Optical Switch 1x2 Mechanischer optischer Schalter
Unübertroffene niedrige Kosten, 1x2 mechanischer optischer Schalter niedrige optische Verzerrungen hohe Isolation hohe Zuverlässigkeit Epoxidfrei optischer Pfad
Mechanical Fiber Optical Switch Dual 1x2 mechanischer optischer Schalter
Unübertroffene niedrige Kosten, D1x2 mechanischer optischer Schalter niedrige optische Verzerrungen hohe Isolation hohe Zuverlässigkeit Epoxidfrei optischer Pfad
Mechanical Fiber Optical Switch 2x2 Bypass Mechanischer optischer Schalter
Unübertroffene niedrige Kosten, 2x2 Bypass Mechanischer optischer Schalter niedrige optische Verzerrungen hohe Isolation hohe Zuverlässigkeit Epoxidfrei optischer Pfad
Mechanical Fiber Optical Switch Dual 2x2 Bypass Mechanischer optischer Schalter
Unübertroffene niedrige Kosten, Dual 2x2 Bypass Mechanischer optischer Schalter niedrige optische Verzerrungen hohe Isolation hohe Zuverlässigkeit Epoxidfrei optischer Pfad
Mechanical Fiber Optical Switch Mini Bypass Mechanischer optischer Schalter
Unübertroffene kostengünstige Kosten, Mini Bypass Mechanischer optischer Schalter niedrige optische Verzerrungen hohe Isolation hohe Zuverlässigkeit Epoxidfrei optischer Pfad
Mechanical Fiber Optical Switch 1x4 mechanischer optischer Schalter
Unübertroffene kostengünstige Kosten, Mini Bypass Mechanischer optischer Schalter niedrige optische Verzerrungen hohe Isolation hohe Zuverlässigkeit Epoxidfrei optischer Pfad
Mechanical Fiber Optical Switch 4x4 mechanischer optischer Schalter
Unübertroffene kostengünstige Kosten, Mini Bypass Mechanischer optischer Schalter niedrige optische Verzerrungen hohe Isolation hohe Zuverlässigkeit Epoxidfrei optischer Pfad
Mechanical Fiber Optical Switch 1xN Mechanischer optischer Schalter
bis zu 1x64 mechanischer optischer Schalter Unübertroffen niedrige Kosten Geringe optische Verzerrungen Hohe Isolation Hohe Zuverlässigkeit Epoxidfreier optischer Pfad
eine Nachricht hinterlassen
eine Nachricht hinterlassen
WENN Sie sind an unseren Produkten interessiert und möchten mehr Details erfahren, bitte hinterlassen Sie hier eine Nachricht, wir antworten Ihnen so schnell wie wir.

Heim

Produkte

um

Kontakt