1,25 Gbit/s 120 km DWDM SFP-Transceiver

1,25 Gbit/s 120 km DWDM SFP-Transceiver

Anwendungsbereiche:

  • 1G Fibre Channel
  • DWDM-Netzwerke
  • Glasfaserkanal
  • Produktdetail

1,25 Gbit/s 120 km DWDM SFP-Transceiver

Hot-Plug-fähig, Duplex-LC, +3,3 V, 100 GHz, DWDM-gekühlter DFB&PIN-Anschluss, Einzelmodus

1.25Gb/s 120km DWDM SFP Transceiver

Merkmale:

  • Hot-Plug-fähig
  • Duplex-LC-Stecker
  • Datenrate bis zu 2,67 Gbit/s
  • 100-GHz-ITU-Gitter, C-Band
  • DWDM-GEKÜHLTER DFB-Sender, PINTIA-Fotodetektor
  • SMF-Verbindungen bis zu 120 km
  • 2-Draht-Schnittstelle für Managementspezifikationen, die mit der digitalen Diagnose- und Überwachungsschnittstelle SFF 8472 kompatibel sind.
  • Stromversorgung: +3,3 V
  • Leistungsaufnahme < 1,5 W
  • Temperaturbereich: 0~ 70°C
  • RoHS-konform

Beschreibung:

Das RSPD-03D120-Cxx von FIBERWDM ist ein sehr kompaktes optisches Transceiver-Modul mit 1,25 Gbit/s für serielle optische Kommunikationsanwendungen. Es wandelt einen seriellen elektrischen Datenstrom von 1,25 Gbit/s in ein optisches Ausgangssignal von 2,67 Gbit/s und umgekehrt. Die Hochgeschwindigkeitsschnittstelle mit 2,67 Gbit/s ist vollständig SFI-konform.

Der leistungsstarke DWDM-COOLED-DFB-Sender und der hochempfindliche PINTIA-Empfänger bieten eine überragende Leistung für Ethernet-Anwendungen bei Verbindungen bis zu 120 km.

Das SFP-Modul ist mit SFF-8431 und SFF-8432 kompatibel. Digitale Diagnosefunktionen sind über eine serielle 2-Draht-Schnittstelle gemäß SFF-8472 verfügbar.

Der vollständig SFP-konforme Formfaktor bietet Hot-Plug-Funktionalität, einfache optische Port-Upgrades und geringe EMI-Emissionen.

Absolute Höchstbewertungen

Parameter Symbol Mindestens Typisch Max. Einheit
Lagertemperatur TS -40 +85 °C
Gehäusebetriebstemperatur TA 0 70 °C
Maximale Versorgungsspannung Vcc -0,5 4 V
Relative Luftfeuchtigkeit RH 0 85 %

Elektrische Eigenschaften (TOP = 0 bis 70 °C, VCC = 3,135 bis 3,465 Volt)

1.25Gb/s 120km DWDM SFP Transceiver

Notiz:

1. Direkt mit den TX-Dateneingangspins verbunden. AC-Kopplung von den Pins zum Lasertreiber-IC.

2. Gemäß SFF-8431 Rev 3.0

3. An einen 100-Ohm-Differenzialabschluss anschließen.

4. 20 % bis 80 %

5. LOS ist ein Open-Collector-Ausgang. Er sollte mit einem Pull-up-Widerstand von 4,7 kΩ bis 10 kΩ auf der Hostplatine auf High-Pegel gezogen werden. Im Normalbetrieb entspricht er Logikpegel 0; bei Signalverlust Logikpegel 1. Die maximale Pull-up-Spannung beträgt 5,5 V.

Optische Parameter (TOP = 0 bis 70°C, VCC = 3,135 bis 3,465 Volt)

1.25Gb/s 120km DWDM SFP Transceiver

Notiz:

1. Die durchschnittlichen Leistungswerte dienen lediglich der Information. Fibre Channel

2. 12dB Reflexion.

3. Empfängerüberlastung gemäß OMA und unter den ungünstigsten umfassenden Belastungsbedingungen.

Zeitliche Eigenschaften

1.25Gb/s 120km DWDM SFP Transceiver

Pinbelegung

Diagramm der Pin-Nummern und Namen des Host-Board-Anschlussblocks

1.25g sfp transceiver

Pin-Funktionsdefinitionen

1.25g sfp transceiver

Notiz:

1. Die Masseanschlüsse des Moduls müssen vom Modulgehäuse isoliert sein.

2. Dieser Pin ist ein Open-Collector/Open-Drain-Ausgangspin und muss mit 4,7 kΩ bis 10 kΩ auf Host_Vcc auf der Hostplatine auf High-Pegel gezogen werden.

3. Dieser Pin muss mit 4,7 kΩ bis 10 kΩ an VccT im Modul angeschlossen werden.

4. Dieser Pin ist ein Open-Collector/Open-Drain-Ausgangspin und muss mit 4,7 kΩ bis 10 kΩ auf Host_Vcc auf der Hostplatine hochgezogen werden.

SFP-Modul EEPROM-Informationen und -Verwaltung

Die SFP-Module implementieren das in SFP-8472 definierte serielle 2-Draht-Kommunikationsprotokoll. Die seriellen ID-Informationen der SFP-Module und die Parameter des digitalen Diagnosemonitors (DDM) sind über die I²C-Schnittstelle an den Adressen A0h und A2h abrufbar. Die Speicherbelegung ist in Tabelle 1 dargestellt. Detaillierte ID-Informationen (A0h) sind in Tabelle 2 aufgeführt. Die DDM-Spezifikation befindet sich an Adresse A2h. Weitere Informationen zur Speicherbelegung und Byte-Definitionen finden Sie in SFF-8472, „Digital Diagnostic Monitoring Interface for Optical Transceivers“. Die DDM-Parameter wurden intern kalibriert.

Tabelle 1. Digitale Diagnose-Speicherkarte (Beschreibungen der einzelnen Datenfelder)

1.25g sfp transceiver

Tabelle 2 - Inhalt des EEPROM-Serien-ID-Speichers (A0h)

120km DWDM SFP Transceiver

Eigenschaften des digitalen Diagnosemonitors

120km DWDM SFP Transceiver

Einhaltung gesetzlicher Bestimmungen

Das RSPD-03D120-Cxx erfüllt die internationalen Anforderungen und Normen zur elektromagnetischen Verträglichkeit (EMV) und zur Sicherheit (siehe Details in der nachfolgenden Tabelle).

120km DWDM SFP Transceiver

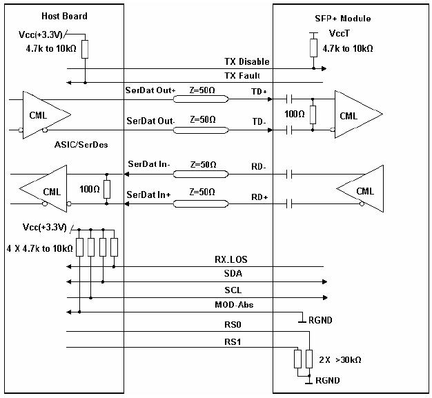
Empfohlene Schaltung

120km DWDM SFP Transceiver

Empfohlene Stromversorgungsschaltung für das Host-Board

120km DWDM SFP Transceiver

Empfohlene Hochgeschwindigkeits-Schnittstellenschaltung

Mechanische Abmessungen

1.25Gb/s 120km DWDM SFP Transceiver

Bestellinformationen:

RSPD-03D120-Cxx XX: 100 GHz ITU-Gitterwellenlänge

1.25Gb/s 120km DWDM SFP Transceiver 1.25Gb/s 120km DWDM SFP Transceiver

Möchten Sie mehr über dieses Produkt erfahren?

SENDEN SIE EINE Nachricht
eine Nachricht hinterlassen

WENN Sie sind an unseren Produkten interessiert und möchten mehr Details erfahren, bitte hinterlassen Sie hier eine Nachricht, wir antworten Ihnen so schnell wie wir.

Ähnliche Produkte
1.25G SFP  Transceiver 1,25 g SFP optisch Transceiver
1,25 g SFP optisch Transceiver Modul, Unterstützung 1,25 GB / s und bis zu 120 km Übertragung inklusive: SFP SR, SFP Lr, sfp Er, sfp + Zr usw.Es funktioniert in High-Speed IDC Verbindungslösungen, Netzwerkschalter, PTN, OTN Und so auf.
1.25G SFP  Transceiver 1,25 g Dwdm SFP optisch Transceiver
1,25 g SFP optisch Transceiver Modul, Unterstützung 1,25 GB / s und bis zu 120 km Übertragung inklusive: SFP SR, SFP Lr, sfp Er, sfp + Zr usw.Es funktioniert in High-Speed IDC Verbindungslösungen, Netzwerkschalter, PTN, OTN Und so auf.
1.25G SFP  Transceiver 1,25 g CWDM SFP optisch Transceiver
1,25 g SFP optisch Transceiver Modul, Unterstützung 1,25 GB / s und bis zu 120 km Übertragung inklusive: SFP SR, SFP Lr, sfp Er, sfp + Zr usw.Es funktioniert in High-Speed IDC Verbindungslösungen, Netzwerkschalter, PTN, OTN Und so auf.
1.25G SFP  Transceiver 1,25 g Bidi SFP optisch Transceiver
1,25 g SFP optisch Transceiver Modul, Unterstützung 1,25 GB / s und bis zu 120 km Übertragung inklusive: SFP SR, SFP Lr, sfp Er, sfp + Zr usw.Es funktioniert in High-Speed IDC Verbindungslösungen, Netzwerkschalter, PTN, OTN und so auf.
China SFP 1.25G 1270-1610nm CWDM 200KM DDM Optical Transceiver SFP 1.25G 1270-1610nm CWDM 200KM DDM Optischer Transceiver
1,25 G SFP optisches Transceiver-Modul, unterstützt 1,25 Gb/s und bis zu 200 km Übertragung Merkmale: Bis zu 1,25 Gb/s Datenverbindungen Hot-Plug-fähig Duplex-LC-Anschluss Bis zu 200 km auf 9/125 μm SMF 1270 ~ 1610 nm CWDM DFB-Lasersender APD-Empfänger Einzelne +3,3-V-Stromversorgung Überwachungsschnittstelle Konform mit SFF-8472 Maximale Leistung <1W Kommerzieller Betriebstemperaturbereich: -0°C bis 70°C Version verfügbar RoHS-konform und bleifrei Anwendungen: Metro/Zugangsnetze 1,25 Gbit/s 1000Base-EZX-Ethernet 1 × Fibre-Channel Andere optische Verbindungen
SFP 1.25G DWDM 180KM Transceiver SFP 1.25G C17-C61 DWDM 180KM DDM Optischer Transceiver
1,25 G SFP optisches Transceiver-Modul, unterstützt 1,25 Gbit/s und bis zu 180 km Übertragung Merkmale: Hot-Plug-fähig Duplex-LC-Stecker Bis zu 1,25 Gbit/s Datenrate 100-GHz-ITU-Gitter, C-Band DWDM-GEKÜHLTER DFB-Sender, APD-Fotodetektor SMF verbindet bis zu 180 km 2-Draht-Schnittstelle für Verwaltungsspezifikationen gemäß der digitalen Diagnoseüberwachungsschnittstelle SFF 8472 Stromversorgung: +3,3 V Stromverbrauch <1,5 W Temperaturbereich: 0–70 °C RoHS-konform Anwendungen: 1G-Fibre-Channel DWDM-Netzwerke Fibre-Channel
China SFP 1.25G 1550nm 200KM DDM Optical Transceiver SFP 1.25G 1550nm 200KM Optischer DDM-Transceiver
1,25 G SFP optisches Transceiver-Modul, unterstützt 1,25 Gb/s 200 km Übertragung, funktioniert in Hochgeschwindigkeits-IDC-Verbindungslösungen, Netzwerk-Switch, PTN, OTN und so weiter. Merkmale: Bis zu 1,25 Gb/s Datenverbindungen Hot-Plug-fähig Duplex-LC-Anschluss Bis zu 200 km auf 9/125 μm SMF 1550 nm GEKÜHLTER DFBlaser-Sender APD-Empfänger Einzelne +3,3-V-Stromversorgung Überwachungsschnittstelle Konform mit SFF-8472 Maximale Leistung <1,5 W Betriebstemperaturbereich: Gewerbe: 0°C bis 70°C, Industrie: -40°C bis +85°C RoHS-konform und bleifrei Anwendungen: Metro/Zugangsnetze 1,25 Gbit/s 1000Base-EZX-Ethernet 1 × Fibre-Channel Andere optische Verbindungen
China SFP 1.25G 1270-1610nm CWDM 150KM DDM Optical Transceiver SFP 1.25G 1270-1610nm CWDM 150KM DDM Optischer Transceiver
1,25 G SFP optisches Transceiver-Modul, unterstützt 1,25 Gb/s und bis zu 150 km Übertragung Merkmale: Bis zu 1,25 Gb/s Datenverbindungen Hot-Plug-fähig Duplex-LC-Anschluss Bis zu 150 km auf 9/125 μm SMF 1270 ~ 1610 nm CWDM DFB-Lasersender APD-Empfänger Einzelne +3,3-V-Stromversorgung Überwachungsschnittstelle Konform mit SFF-8472 Maximale Leistung <1W Kommerzieller Betriebstemperaturbereich: -0°C bis 70°C Version verfügbar RoHS-konform und bleifrei Anwendungen: Metro/Zugangsnetze 1,25 Gbit/s 1000Base-EZX-Ethernet 1 × Fibre-Channel Andere optische Verbindungen
eine Nachricht hinterlassen
eine Nachricht hinterlassen
WENN Sie sind an unseren Produkten interessiert und möchten mehr Details erfahren, bitte hinterlassen Sie hier eine Nachricht, wir antworten Ihnen so schnell wie wir.

Heim

Produkte

um

Kontakt